
用途 JDH-F2型(非接触式)打滑检测装置,是一种经济、可靠性强、对轴转速及其他旋转装置简单通用的监测装置,当检测到目前转速信号低于或高于正常转速范围,开关输出一组开关信号,以供报警或停机。无运动部件、无磨损、安全寿命长、一体化结构,集中的控制装置,设定或故障检修简单,外壳采用防水、防尘的设计,两螺栓固定壳体,可直接安装在恶劣环境中使用。主要技术参数及性能 电源电压:AC220V 检测范围:0.5m/s~9.99m/s 脉 冲:0~120Hz 转 速:0~999转/分 开机延时:10s 开关与目标距离:10~20mm 开关数量:2组常开 2组常闭 触点容量:24~380V AC/DC 电 流:5A 防护等级:IP65外形尺寸安装示意设置说明 1.当电源接头时,继电器吸合,延时约10秒,绿灯亮,红灯和黄灯不亮;数码管显示的是每分钟的转数(各数字不闪烁); 2.“输出一”打滑速度设置:按“设置键△”出现数码管显示为“0000”且个位闪烁,通过“键△”和“键△”输入9456;再按设置键,数码管显示为打滑速度且个位闪烁,通过“键△”和“键△”可修改打滑速度,再按“键△”打滑速度设置完毕; 3.“输出二”打滑速度设置:按“设置键△”出现数码管显示为“0000”且个位闪烁,通过“键△”和“键△”输入9789;再按设置键,数码管显示为打滑速度且个位闪烁,通过“键△”和“键△”可修改打滑速度,再按“键△”第二组打滑速度设置完毕; 4.开机延时时间设置:按“设置键△”出现数码管显示为“0000”,通过键△”和“键△”输入4444,再按设置键,数码管显示,4444,通过“键△”和“键△”将4444修改为0244(0244为10秒,0488为20秒,以此类推)再按设置键△。此时,再断电重启,延时时间才能存入,延时时间设置完毕。(出厂时间延时为10秒) 5.设备的转数高于设置的打滑速度时,继电器不动作;转数低于设置的打滑速度时,打滑后继电器吸合;一般打滑速度的设置为低于机器正常转数的20%~30%。 6.每次参数设置好后,一定要把电源关断,再重启电源,这样设置的数据才能存入设备中。面板及接线
咨询热线:18639159095
在线询价用途
JDH-F2型(非接触式)打滑检测装置,是一种经济、可靠性强、对轴转速及其他旋转装置简单通用的监测装置,当检测到目前转速信号低于或高于正常转速范围,开关输出一组开关信号,以供报警或停机。无运动部件、无磨损、安全寿命长、一体化结构,集中的控制装置,设定或故障检修简单,外壳采用防水、防尘的设计,两螺栓固定壳体,可直接安装在恶劣环境中使用。
主要技术参数及性能
电源电压:AC220V 检测范围:0.5m/s~9.99m/s
脉 冲:0~120Hz 转 速:0~999转/分
开机延时:10s 开关与目标距离:10~20mm
开关数量:2组常开 2组常闭 触点容量:24~380V AC/DC
电 流:5A 防护等级:IP65
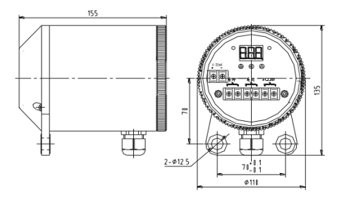
外形尺寸
安装示意
设置说明
1.当电源接头时,继电器吸合,延时约10秒,绿灯亮,红灯和黄灯不亮;数码管显示的是每分钟的转数(各数字不闪烁);
2.“输出一”打滑速度设置:按“设置键△”出现数码管显示为“0000”且个位闪烁,通过“键△”和“键△”输入9456;再按设置键,数码管显示为打滑速度且个位闪烁,通过“键△”和“键△”可修改打滑速度,再按“键△”打滑速度设置完毕;
3.“输出二”打滑速度设置:按“设置键△”出现数码管显示为“0000”且个位闪烁,通过“键△”和“键△”输入9789;再按设置键,数码管显示为打滑速度且个位闪烁,通过“键△”和“键△”可修改打滑速度,再按“键△”第二组打滑速度设置完毕;
4.开机延时时间设置:按“设置键△”出现数码管显示为“0000”,通过键△”和“键△”输入4444,再按设置键,数码管显示,4444,通过“键△”和“键△”将4444修改为0244(0244为10秒,0488为20秒,以此类推)再按设置键△。此时,再断电重启,延时时间才能存入,延时时间设置完毕。(出厂时间延时为10秒)
5.设备的转数高于设置的打滑速度时,继电器不动作;转数低于设置的打滑速度时,打滑后继电器吸合;一般打滑速度的设置为低于机器正常转数的20%~30%。
6.每次参数设置好后,一定要把电源关断,再重启电源,这样设置的数据才能存入设备中。
面板及接线
可为焦作森科智能输送技术有限公司提供研发、试制、生 产和资金等保障
- 上一篇:JLDH-D型打滑检测保护装置
- 下一篇:JDH-F型打滑检测装置