
本开关用于对胶带输送机的胶带运行速度及打滑进行自动检测的装置。当检测到当前转速信号低于或高于正常转速范围,开关输出两组开关信号,以供报警或停机。技术参数 电源电压:AC220V 检测范围:0.5m/s~9.99m/s 脉 冲:6~120Hz 转 速:0~999转/分 开机延时:10秒 开关与目标距离:10~20mm 开关数量:1组常开 1组常闭 触点容量:24~380V AC/DC 电流1A外形尺寸安装示意设置说明 1、按“”键数码管个位闪烁,通过“”键和“”输入“123”,再按“”键进入速度设置(出厂预设“055”转)通过“”键和“”键修改打滑速度,再按“”键,打滑设置完毕(一般打滑速度的设置为低于机器正常转速的20%-30%);. 2、同上步骤输入“345”,低于设定进行吸合延时设置0-60秒可调(出厂预设“1”秒); 3、通电启动延时5秒(系统默认)无设置; 4、同上步骤输入“456”,归零动作启动延时设置0-60秒可调(出厂预设“10”秒); 5、同上步骤输入“789”,归零延时设置0-60秒可调(出厂预设“10”秒); 6、面板上的常开为高于设置转速时的状态(常开),另外一组常闭为高于设置转速时的状态(常闭); 7、当转速低于设置转速时面板上的常开闭合,常闭断开。红灯亮(通电状态)。 8、当转速为“0”时,动作延时0-60秒可调(出厂预设10秒)转为正常动作转速。
咨询热线:18639159095
在线询价本开关用于对胶带输送机的胶带运行速度及打滑进行自动检测的装置。当检测到当前转速信号低于或高于正常转速范围,开关输出两组开关信号,以供报警或停机。
技术参数
电源电压:AC220V 检测范围:0.5m/s~9.99m/s
脉 冲:6~120Hz 转 速:0~999转/分
开机延时:10秒 开关与目标距离:10~20mm
开关数量:1组常开 1组常闭
触点容量:24~380V AC/DC 电流1A
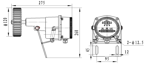
外形尺寸
安装示意
设置说明
1、按“”键数码管个位闪烁,通过“”键和“”输入“123”,再按“”键进入速度设置(出厂预设“055”转)通过“”键和“”键修改打滑速度,再按“”键,打滑设置完毕(一般打滑速度的设置为低于机器正常转速的20%-30%);.
2、同上步骤输入“345”,低于设定进行吸合延时设置0-60秒可调(出厂预设“1”秒);
3、通电启动延时5秒(系统默认)无设置;
4、同上步骤输入“456”,归零动作启动延时设置0-60秒可调(出厂预设“10”秒);
5、同上步骤输入“789”,归零延时设置0-60秒可调(出厂预设“10”秒);
6、面板上的常开为高于设置转速时的状态(常开),另外一组常闭为高于设置转速时的状态(常闭);
7、当转速低于设置转速时面板上的常开闭合,常闭断开。红灯亮(通电状态)。
8、当转速为“0”时,动作延时0-60秒可调(出厂预设10秒)转为正常动作转速。
可为焦作森科智能输送技术有限公司提供研发、试制、生 产和资金等保障
- 上一篇:JLDM-X型溜槽堵塞保护装置
- 下一篇:JDH-F2型打滑检测装置