
用途 用于检测胶带运输机溜槽及漏斗的堵塞,当溜槽或漏斗内形成堵塞时,本装置将输出报警停机信号。型号含义 主要技术参数及性能 本检测器采用侧压活动门结构,故障排除后,压重块的压力使活门自动复位;机内选用进口行程开关,动作灵敏,可靠性高;外形尺寸小,便于安装。安装及使用 1、安装在不受物料直接冲击的溜槽垂直侧壁上; 2、产品可分为两个一组,安装高度根据用户需要而定,一般安装于溜槽底部向上三分之二高度为宜; 3、本机也可用四个分两组使用,一组安装在溜槽侧壁从底部算起三分之一高度, 作为轻度堵塞检测,用于接振打装置信号,当溜槽发生堵塞时,振打装置接到信号,并开始振打,另一组安装在底部三分之二处,作为重度堵塞检测,发生堵塞时输出停机信号。JLDM-X型溜槽堵塞保护装置安装示意图订货需知 注明名称、型号及数量。
咨询热线:18639159095
在线询价用途
用于检测胶带运输机溜槽及漏斗的堵塞,当溜槽或漏斗内形成堵塞时,本装置将输出报警停机信号。
型号含义
主要技术参数及性能
本检测器采用侧压活动门结构,故障排除后,压重块的压力使活门自动复位;机内选用进口行程开关,动作灵敏,可靠性高;外形尺寸小,便于安装。
安装及使用
1、安装在不受物料直接冲击的溜槽垂直侧壁上;
2、产品可分为两个一组,安装高度根据用户需要而定,一般安装于溜槽底部向上三分之二高度为宜;
3、本机也可用四个分两组使用,一组安装在溜槽侧壁从底部算起三分之一高度,
作为轻度堵塞检测,用于接振打装置信号,当溜槽发生堵塞时,振打装置接到信号,并开始振打,另一组安装在底部三分之二处,作为重度堵塞检测,发生堵塞时输出停机信号。
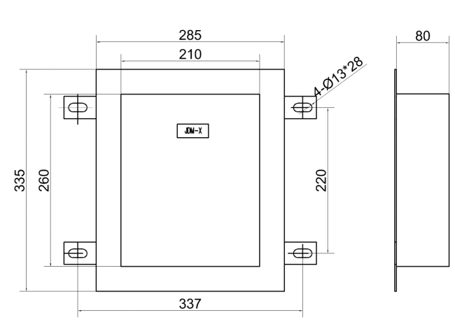
JLDM-X型溜槽堵塞保护装置安装示意图
订货需知
注明名称、型号及数量。
可为焦作森科智能输送技术有限公司提供研发、试制、生 产和资金等保障
- 上一篇:JSBJ-50型声光报警器
- 下一篇:JLDH-D型打滑检测保护装置